Wichtige Kundeninformation
Sehr geehrter Kunde,
wir haben in der Zeit von Mittwoch 24.12.2025 bis einschließlich Dienstag 06.01.2026 geschlossen.
In dieser Zeit ist es Ihnen daher nicht möglich: Ware abzuholen, Ware an uns zu senden oder uns telefonisch zu kontaktieren.
Aufgrund der Feiertage erfolgt in der Zeit von 23.12.2025 bis 06.01.2026 kein Warenversand.
Letzter Versandtag (abgehend) für Zielland Österreich: Montag 22.12.2025
Letzter Versandtag (abgehend) für Zielland Deutschland und restliche EU: Freitag 19.12.2025
Am Dienstag 23.12.2025 kann Ware abgeholt werden, es erfolgt jedoch kein Versand mehr.
Erster Versandtag nach den Feiertagen ist Mittwoch 07.01.2026.
Wir bitten um Verständnis.
Sie erreichen uns wieder ab Mittwoch 07.01.2026 08:00.
Wir wünschen Ihnen ein frohes Fest und einen guten Rutsch ins neue Jahr
Ihr ROTEK Team
Elektromotor, Drehstrommotor, 1,1kW , 1000U/min, 400V, EEAD400-6-001.10-B35
- Nennleistung 1,10 kW (1100 Watt)
- für 400 V Nennspannung (3-phasig)
- Polzahl 6 (Umdrehungszahl 1000 U/min)
- Wellenlänge 50mm, Wellendurchmesser 24mm
- Als Ersatz für Bauform B3 (Standfüsse) und B5 (Flansch) = Bauform B35, daher universell zu verwenden.
- kann auch als Asynchrongenerator verwendet werden
Drehstromasynchronmotoren sind die am meisten verwendeten Industriemotoren. Der Anschluss erfolgt direkt ans Drehstromnetz.
Die Motoren der EEAD400-Serie sind in Schutzklasse IP54 und Isolationsklasse F ausgeführt.
Die Oberflächenkühlung erfolgt über einen Aussenlüfter.
Die Wicklung des Motors ist aus Kupferdraht und nicht wie bei einigen Billigmotoren aus Aluminium.
Weiters ist das Klemmfeld nicht mit Klemmen sondern mit Standbolzen ausgeführt.
Die Motornennleistungen in der Tabelle weiter unten sind für den Dauerbetrieb (S1) und eine Netzspannung von 400V, 50Hz angegeben.
Die Umgebungstemperatur darf dabei 40°C nicht überschreiten.
Andere Betriebsbedingungen wie höhere Temperaturen, Einsatzhöhen grösser als 1.000m, hohe Schalthäufigkeit, die Beschleunigung großer Schwungmassen u.s.w. müssen gesondert berechnet werden.
Die ausgeführte Bauform ist B35(mit Gerätefuss und Schraubflansch), wobei die Baugrösse (BG - siehe Tabelle) der IEC 34-1 Norm entspricht.
Damit kann der Motor ideal als universeller Ersatz für Bauform B3 oder Bauform B5 verwendet werden.
Technische Daten
| Rotek Artikelnummer | EMOTOR0029 |
| Type | EEAD400-6-001.1-B35 |
| Nennleistung | 1,1 kW (1,5PS) |
| für Nennspannung | 400V / 3-phasig |
| Stromaufnahme bei Vollast | 3,18 A |
| Umdrehungszahl bei Vollast | 910 U/min |
| Effizienz bei Vollast | 72,0 % |
| cos Phi bei Vollast | 0,73 |
| Effizienz bei 75 % Last | 70,2 % |
| cos Phi bei 75 % Last | 0,72 |
| Effizienz bei 50 % Last | 68,0 % |
| cos Phi bei 50 % Last | 0,55 |
| Drehmomentverhältnis Start/Nominell | 2,0 |
| Anlaufstromverhältnis Start/Nominell | 5,5 |
| Drehmomentverhältnis Maximal/Nominell | 2,1 |
| Isolationsklasse | F (max. Motortemperatur: 155°C / max. Umgebungstemperatur: 40°C) |
| Schutzklasse | IP54 (Staubgeschützt / Schutz gegen Spritzwasser aus allen Richtungen) |
| Betriebsart | S1 (für Dauerbetrieb) |
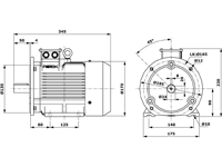
| Baugrösse BG | 90L (siehe techn. Zeichnung) |
| Wellendurchmesser (D) | 24 mm |
| Wellendurchmesser ohne Nut (G) | 20 mm |
| Keilnut (F) | 8 mm |
| Wellenlänge (E) | 50 mm |
| Abstand zu Montagebohrung (C) | 60 mm |
| Lochabstand Montage (B) | 125 mm |
| Gesamtlänge (L) | 345 mm |
| Gesamtbreite (AB) | 175 mm |
| Gesamthöhe (HD) | 230 mm |
| Lochabstand Montagefuss (A) | 140 mm |
| Bodenabstand der Welle (H) | 90 mm |
| Durchmesser Motorgehäuse (AC) | 170 mm |
| Durchmesser Montagelöcher Standfuss (K) | 10 mm |
| Abmessungen Gesamt | 345 x 175 x 230 mm |
| Nettogewicht | 22 kg |
Zusatzinformationen
Bruttogewicht (ohne Versandverpackung): 26.2 Kilogramm
Brutto Produktabmessungen (LxBxH): 400 mm x 270 mm x 300 mm
Versandart:Paketversand
Versandgewicht (inkl. Überverpackung für 1 Stk./VE): 23.7 Kilogramm
Versandabmessungen für 1 Stk./VE (LxBxH): 390 mm x 220 mm x 315 mm
24 Monate Gewährleistung


